TGA4542 37 - 40 GHz 功率放大器
The TriQuint TGA4542 is a 37 - 40 GHz Power Amplifier designed using TriQuint’s power pHEMT production process. The TGA4542 typically provides 31.5 dBm of output power at 1dB gain compression with small signal gain of 26 dB. Third Order Intercept is 38 dBm at 18 dBm Output/Tone. The TGA4542 is ideally suited for Point-to-Point Radio, Ka-band communications, and Millimeter-wave communications. Lead-free and RoHS compliant. Evaluation Boards are available upon request
技术特性
- Frequency range: 37 - 40 GHz
- Output power: 32.5 dBm Psat, 31.5 dBm P1dB
- Gain: 26 dBm Typical
- TOI: 38 dBm @ 18 dBm output/tone
- Integrated power detector
- Bias: Vcc = 6V, Icc = 900 mA typical
- Dimension: 2.95 x 2.95 x 0.1 mm
订购信息 Ordering Information
应用领域 APPLICATION
- Millimeter Wave Communications
- Military
- Point-to-Point Radio
- Space
|
技术指标
| 频率(GHz) |
功率(dBm) |
增益(dB) |
NF/PAE |
+V |
IQ(mA) |
| 37 - 40 |
32.4 |
26 |
- |
6 |
900 |
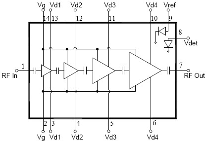
功能框图 Functional Block Diagram

|