TGA4543 40.5 - 43.5 GHz 功率放大器
The TriQuint TGA4543 is a 40.5 - 43.5 GHz Power Amplifier designed using TriQuint's power pHEMT production process. The TGA4543 typically provides 28.5 dBm of output power at 1dB gain compression with small signal gain of 23 dB. Third Order Intercept is 38 dBm at 18 dBm Output/Tone. The TGA4543 is ideally suited for Point-to-Point Radio, Ka-band communications, and Millimeter-wave communications. Lead-free and RoHS compliant. Evaluation Boards are available upon request.
技术特性
- Frequency range: 40.5 - 43.5 GHz
- Output power: 30 dBm Psat, 28.5 dBm P1dB
- Gain: 23 dBm Typical
- TOI: 38 dBm @ 18 dBm Output/Tone
- Integrated power detector
- Bias: Vcc = 6V, Icc = 900 mA Typical
- Dimension: 2.95 x 2.95 x 0.1 mm
订购信息 Ordering Information
应用领域 APPLICATION
- Millimeter Wave Communications
- Military
- Point-to-Point Radio
- Space
|
技术指标
| 频率(GHz) |
功率(dBm) |
增益(dB) |
NF/PAE |
+V |
IQ(mA) |
| 40.5 - 43.5 |
30 |
23 |
- |
6 |
900 |
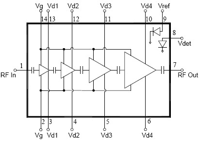
功能框图 Functional Block Diagram

|