TGA4706-FC 77GHz中等功率放大器

The TriQuint TGA4706-FC is a flip-chip medium power amplifier designed to operate at the automotive radar frequency band. The TGA4706-FC is designed using TriQuint's proven 0.13 um pHEMT process and front-side Cu / Sn pillar technology for simplified assembly and low interconnect inductance. Die reliability is enhanced by using TriQuint's BCB polymeric passivation process. The TGA4706-FC typically provides 14 dBm saturated output power with 15 dB small signal gain at 77 GHz. The part is lead-free and RoHS compliant.

技术特性
  • Frequency range: 76 to 83 GHz
  • Psat: 14 dBm at 77 GHz
  • Gain: 15 dB
  • Bias: Vd = 3.5 V, Vg = +0.2 V, Idq = 125 mA typical
  • Technology: 0.13 um pHEMT with front-side Cu/Sn pillars
  • Chip dimensions: 1.86 x 1.37 x 0.38 mm
技术指标
频率(GHz) 功率(dBm) 增益(dB) NF/PAE +V IQ(mA)
76 - 83 14 12 - 3.5 75
订购信息 Ordering Information
Part   Package Style 
TGA4706-FC  GaAs MMIC Die
应用领域 APPLICATION
  • 77 GHz Long/Medium Range Automotive Radar
  • Adaptive Cruise Control
  • Pre-Crash Warning / Collision Avoidance Systems
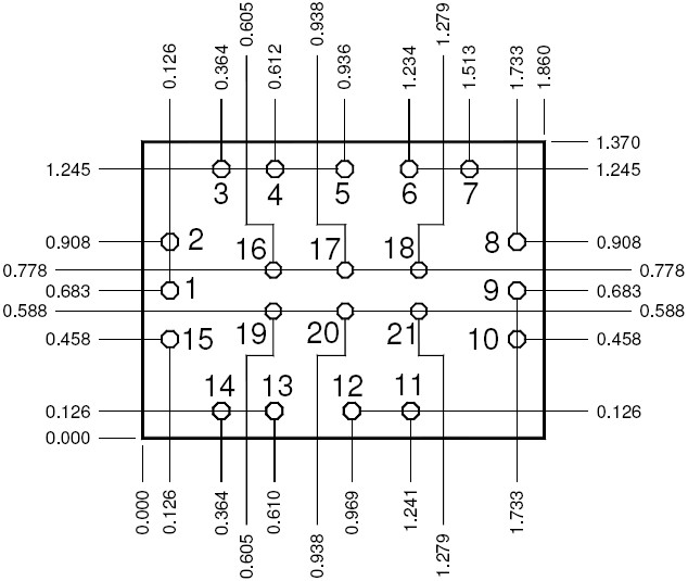
机械图样Mechanical Drawing
TGA4706-FC 机械图样
应用技术支持与电子电路设计开发资源下载 版本信息 大小
TGA4706-FC:资质报告    
TGA4706-FC 数据资料DataSheet下载:PDF Rev.V2 2 页