TGA4902-SM Ka 波段封装MPA

The TriQuint TGA4902-SM is a Ka band packaged medium power amplifier. The TGA4902-SM operates from 25 to 35 GHz and is designed using TriQuint's power pHEMT production process. The part typically provides 25 dBm of output power at 1 dB gain compression with small signal gain of 18 dB. The TGA4902-SM is ideally suited for VSAT ground terminals, point-to-point radio and point-to-multipoint communications. The part is lead-free and RoHS compliant. Evaluation boards are available upon request.

技术特性
  • Typical frequency range: 25 to 35 GHz
  • 25 dBm nominal P1dB
  • 18 dB nominal gain
  • Bias: 6 V, 220 mA
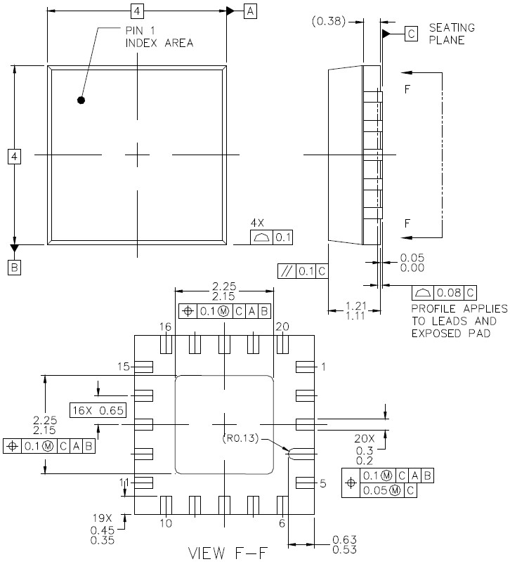
  • Package dimensions: 4.0 x 4.0 x 0.9 mm
订购信息 Ordering Information
  • TGA4902-SM
TGA4902-SM 产品实物图

TGA4902-SM 产品实物图

技术指标
频率(GHz) 功率(dBm) 增益(dB) NF/PAE +V IQ(mA)
25-35 25 18 - 6 220
应用领域 APPLICATION
  • Ka Band VSAT
  • Point-to-Multipoint Radio
  • Point-to-Point Radio
机械图样Mechanical Drawing
TGA4902-SM 机械图样
应用技术支持与电子电路设计开发资源下载 版本信息 大小
TGA4902-SM:S 参数    
TGA4902-SM材料清单    
TGA4902-SM布局文件    
TGA4902-SM初步数据资料DataSheet下载:PDF Rev.V2 2 页