TGA4903-SM Ka 波段中等功率放大器

The TriQuint TGA4903-SM is a Ka band packaged medium power amplifier. The TGA4903-SM operates from 27 to 32 GHz and is designed using TriQuint's proven standard pHEMT production process. The TGA4903-SM typically provides 22 dBm of output power at 1 dB gain compression with small signal gain of 15 dB. The TGA4903-SM is ideally suited for VSAT ground terminals, point-to-point radios and point-to-multipoint communications. The part is lead-free and RoHS compliant. Evaluation boards are available upon request.

技术特性
  • Frequency range: 27 to 32 GHz
  • Psat: 24 dBm, P1dB: 22 dBm
  • Gain: 15 dB
  • Return loss: 10 dB
  • Bias: Vd = 5 V, Id = 170 mA, Vg = -0.6 V typical
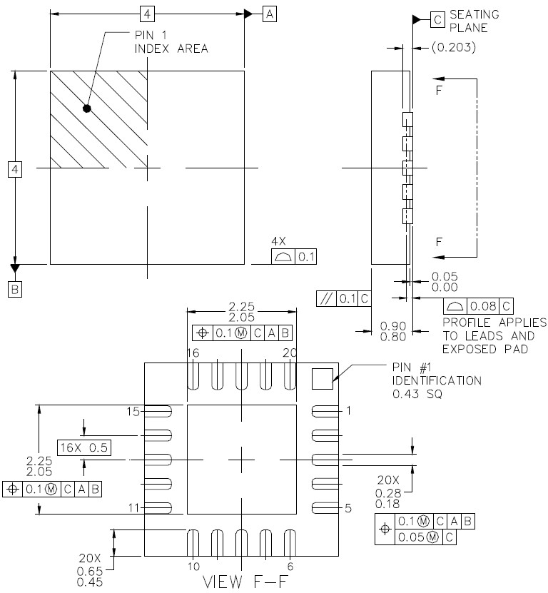
  • Package dimensions: 4 x 4 x 0.85 mm
订购信息 Ordering Information
  • TGA4903-SM
TGA4903-SM 产品实物图

TGA4903-SM 产品实物图

技术指标
频率(GHz) 功率(dBm) 增益(dB) NF/PAE +V IQ(mA)
27 - 32 24 15 - 5 170
应用领域 APPLICATION
  • Point-to-Multipoint Radio
  • VSAT and Digital Radio
机械图样Mechanical Drawing
TGA4903-SM 机械图样
应用技术支持与电子电路设计开发资源下载 版本信息 大小
TGA4903-SM:S 参数    
TGA4903-SM材料清单    
TGA4903-SM布局文件    
TGA4903-SM初步数据资料DataSheet下载:PDF Rev.V2 2 页