TGA8334-SCC 功率放大器,AGC
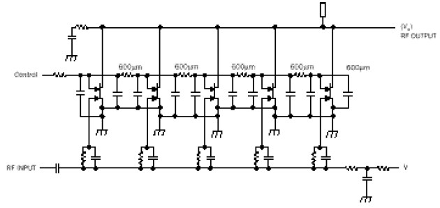
The TriQuint TGA8334-SCC is a GaAs monolithic dual-gate distributed amplifier. Small-signal gain is typically 8 dB with positive gain slope across the band. Input and output return loss is typically greater than 9.7 dB. Five 600 um gate-width FETs provide more than 26 dB output power at 1 dB gain compression at midband. Ground is provided to the circuitry through vias to the backside metallization. The TGA8334-SCC is directly cascadable with other broadband TriQuint GaAs amplifiers, such as the TGA8300-SCC and TGA8622-SCC. This general power amplifier is suitable for a variety of wide-band applications such as distributed networks, logging stages and oscillator buffers. Bond pad and backside metallization is gold plated for compatibility with eutectic alloy attachment methods as well as the thermocompression and thermosonic wire bonding processes. The TGA8334-SCC is supplied in chip form and is readily assembled using automated equipment.
技术特性
- 2 to 20 GHz frequency range
- 0.4 W output power at 1 dB gain
- Compression at idband
- Positive gain slope across frequency
- On-chip input DC-blocking capacitor
- 1.8:1 Input SWR at midband, 1.3:1 output SWR at midband
- 8 dB gain with +/- 1 dB flatness
- Dimensions: 3.1750 x 1.808 x 0.1524 mm (0.125 x 0.071 x 0.006 in)
订购信息 Ordering Information
|
技术指标
| 频率(GHz) |
功率(dBm) |
增益(dB) |
NF/PAE |
+V |
IQ(mA) |
| 2.0-20 |
26 |
8 |
- |
8 |
440 |
电路原理图SCHEMATIC

|