TGA8622-SCC 增益模块, AGC
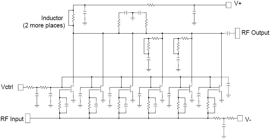
The TriQuint TGA8622-SCC is a broadband general-purpose amplifier that operates over the 2 to 20 GHz frequency range. Six 200 um dual-gate FETs provide the amplifier with a typical gain of 7.5 dB. Midband input and output SWRs are typically 1.7:1. This amplifier is directly cascadable and can be used in both gain control and active temperature compensation applications. Ground is provided to the circuitry through vias to the backside metallization. The part is available in chip form and is readily assembled using automated equipment. The device bond pads and backside are gold plated for compatibility with eutectic alloy attach methods as well as thermocompression and thermosonic wire bonding processes.
技术特性
- 2 to 20 GHz frequency range
- 7.5 dB gain with greater than 30 dB
- Gain-control capability
- 20 dBm output power at 1 dB gain compression
- 7 dB noise figure
- Input and output SWR 1.7:1 midband
- Dimensions: 2.769 x 2.159 x 0.152 mm (0.109 x 0.085 x 0.006 in)
订购信息 Ordering Information
|
技术指标
| 频率(GHz) |
功率(dBm) |
增益(dB) |
NF/PAE |
+V |
IQ(mA) |
| 2.0 - 20 |
20 |
7.5 |
7 dB |
6 |
150 |
电路原理图SCHEMATIC

|