TGA8652-SL OC192 调制驱动器, SMT 封装

The TriQuint TGA8652-SL is a medium power wideband AGC amplifier combined with off-chip circuitry assembled in a surface mount package. The part typically provides 16 dB small signal gain with 6 dB AGC range. Typical input and output return loss is less than 10 dB. Typical Noise Figure is 2.5 dB at 3 GHz. Typical saturated output power is 25 dBm. Small signal 3 dB BW is 12 GHz with saturated power performance to 16 GHz. RF ports are DC coupled enabling the user to customize system corner frequencies. Applications include OC192 12.5 GBit/s NRZ MZ modulator drivers and receive AGC amplifiers. Drain bias may be applied thru the on-chip drain termination resistor for low drive applications or thru the RF output port for high drive applications. A cascaded pair demonstrated 8 Vpp output voltage swing with 500 mVpp at the input when stimulated with 10 GBit/s 2^31-1 PRBS NRZ data. Evaluation boards are available upon request.

技术特性
  • DC to 12 GHz linear bandwidth
  • DC to 16 GHz saturated power bandwidth
  • 16 dB small signal gain
  • Wide drive range: 4V to 8V
  • 25 ps edge rates (10/90)
  • Low power dissipation: 1.4 W at Vo = 8V
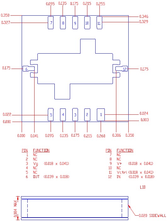
  • Package size: 0.350 x 0.350 x 0.084 inches
  • Evaluation board available
订购信息 Ordering Information
  • TGA8652-SL
技术指标
频率(GHz) 功率(dBm) 增益(dB) NF/PAE +V IQ(mA)
DC-18 25 16 2.5 6.5 170

 

应用领域 APPLICATION
  • Mach-Zehnder Modulator Drivers
  • Metro and Long Haul Optical Networks
  • Pre-Drivers
  • Receiver AGC
机械图样Mechanical Drawing
TGA8652-SL 机械图样

应用技术支持与电子电路设计开发资源下载 版本信息 大小
TGA8652-SL:S 参数    
TGA8652-SL 数据资料DataSheet下载:PDF Rev.V2 2 页