TGC2510-SM Ku 波段下变频器
The TriQuint TGC2510-SM is a Ku-Band image reject up-converter with integrated LO buffer amplifier and output variable gain amplifier. The TGC2510-SM operates from an RF of 10 to 16 GHz and LO from 6.5 to 19 GHz with IF inputs from DC to 3.5 GHz and is designed using TriQuint's pHEMT production process. The TGC2510-SM typically provides 33 dBm of output TOI at -10 dBm input power per tone and has a conversion gain of 17 dB. The TGC2510-SM is available in a low-cost, surface mount 28 lead 5 x 5 mm QFN package and is ideally suited for Point-to-Point Radio and Ku Band VSAT Ground Terminals. Lead-free and RoHS compliant. Evaluation boards are available upon request.
技术特性
- RF Frequency Range: 10 - 16 GHz
- IF Frequency: DC – 3.5 GHz
- LO Frequency: 6.5 – 19 GHz
- LO Input Power: 0 to 6 dBm
- Conversion Gain: 17 dB
- OTOI: 33 dBm at max gain
- Attenuation Range: 15 dB typical
- Package Dimensions: 5.0 x 5.0 x 1.3 mm
订购信息 Ordering Information
TGC2510-SM 产品实物图

|
应用领域 APPLICATION
- VSAT
- Point-to-Point Radio
- Test Equipment and Sensors
技术指标
| 频率(GHz) |
转换增益(dB) |
V+(V) |
IQ(mA) |
| 10 - 16 |
17 |
5 |
300 |
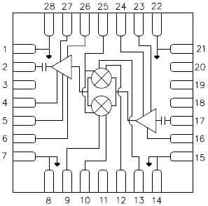
功能框图 Functional Block Diagram

|