TGC4402-SM 18 - 26 GHz 封装上变频器混合器

The TriQuint TGC4402-SM is an up-converting mixer designed to support a variety of millimeter wave applications including point-to-point digital radio and K band satellite communications. The mixer provides 9 dB nominal conversion loss across 18 to 26 GHz. Typical LO input drive is 19 dBm across the band. The input IF frequency is 0.5 to 3 GHz. The TGC4402-SM requires only 2 off-chip components. Each device is 100% DC and RF tested on-wafer to ensure performance compliance. The device is available in chip form. It is lead-free and RoHS compliant and has a protective surface passivation layer providing environmental robustness.

技术特性
  • RF output frequency range: 18 to 26 GHz
  • IF input frequency range: 0.5 to 3 GHz
  • Conversion loss: 9 dB
  • Input TOI: 18 dBm
  • LO input power: 19 dBm
  • Bias: Vmxr = -0.9 V
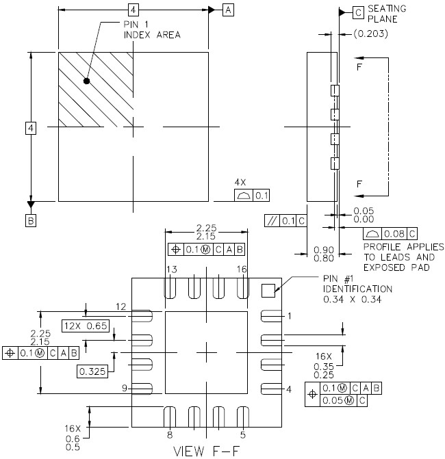
  • Package dimensions: 4 x 4 x 0.9 mm
订购信息 Ordering Information
  • TGC4402-SM
TGC4402-SM 产品实物图

TGC4402-SM 产品实物图

应用领域 APPLICATION
  • K Band Satellite Communications (Satcom)
  • Point-to-Point Radio
技术指标
频率(GHz) 转换增益(dB) V+(V) IQ(mA)
18 - 26 -9 - -
机械图样Mechanical Drawing
TGC4402-SM 机械图样
应用技术支持与电子电路设计开发资源下载 版本信息 大小
TGC4402-SM:材料清单    
TGC4402-SM:布局文件    
TGC4402-SM 数据资料DataSheet下载:PDF Rev.V2 2 页