TGC4403-SM 带有放大器的8 - 15 GHz 封装双工器

The TriQuint TGC4403-SM is a packaged MMIC that combines a frequency doubler with a 3-stage amplifier, operating at input frequencies of 8 to 15 GHz. With greater than 30 dBc isolation between the input and doubled frequency, the TGC4403-SM achieves 20 dBm output power with 2 dBm input power. This performance makes this doubler ideally suited for point-to-point radios and Ka band satellite ground terminal applications. The TGC4403-SM provides the frequency doubling function in an compact 4 mm x 4 mm package footprint. Each device is 100% DC and RF tested on-wafer to ensure performance compliance. The device is available in chip form. It is lead-free and RoHS compliant and has a protective surface passivation layer providing environmental robustness.

技术特性
  • RF output frequency range: 16 to 30 GHz
  • Input frequency range: 8 to 15 GHz
  • 10 dBc input frequency isolation
  • 20 dB gain
  • 22 dBm nominal Pout
  • Bias: Vd = 5 V, Id = 150 mA, Vg = -0.5 V typical
  • Technology: 3MI 0.25 um Power PHEMT
  • Chip dimensions: 2.068 x 0.88 x 0.1 mm
技术指标
频率(GHz) 转换增益(dB) V+(V) IQ(mA)
8 - 15 18 5 150
TGC4403-SM 产品实物图

TGC4403-SM 产品实物图

应用领域 APPLICATION
  • Ku Band Satellite Communications (Satcom)
  • Point-to-Point Radio
订购信息 Ordering Information
  • TGC4403-SM
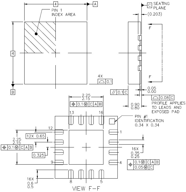
机械图样Mechanical Drawing
TGC4403-SM 机械图样
应用技术支持与电子电路设计开发资源下载 版本信息 大小
TGC4403-SM:材料清单    
TGC4403-SM:布局文件    
TGC4403-SM 数据资料DataSheet下载:PDF Rev.V2 2 页