TGC4405-SM 17 - 27 GHz 封装上变频器

The TriQuint TGC4405-SM is an upconverter with RF output frequencies of 17 to 27 GHz. It contains a frequency doubler and local oscillator (LO) amplifier, operating at LO input frequencies of 8 to 13 GHz. The TGC4405-SM is in a compact 4 mm x 4 mm package footprint. The TGC4405-SM nominally provides 13 dB conversion gain and 28 dBm OTOI when operated with LO inputs from 2 to 5 dBm. The TGC4405-SM is ideally suited for low cost markets such as point-to-point radio and K band satellite communications. The device is lead-free and RoHS compliant and has a protective surface passivation layer providing environmental robustness

技术特性
  • RF output frequency range: 17 to 27 GHz
  • LO input frequency range: 8 to 13 GHz
  • IF input frequency range: 0.5 to 3 GHz
  • 28 dBm OTOI
  • 13 dB conversion gain
  • Bias: Vd = 5 V, Idq = 425 mA
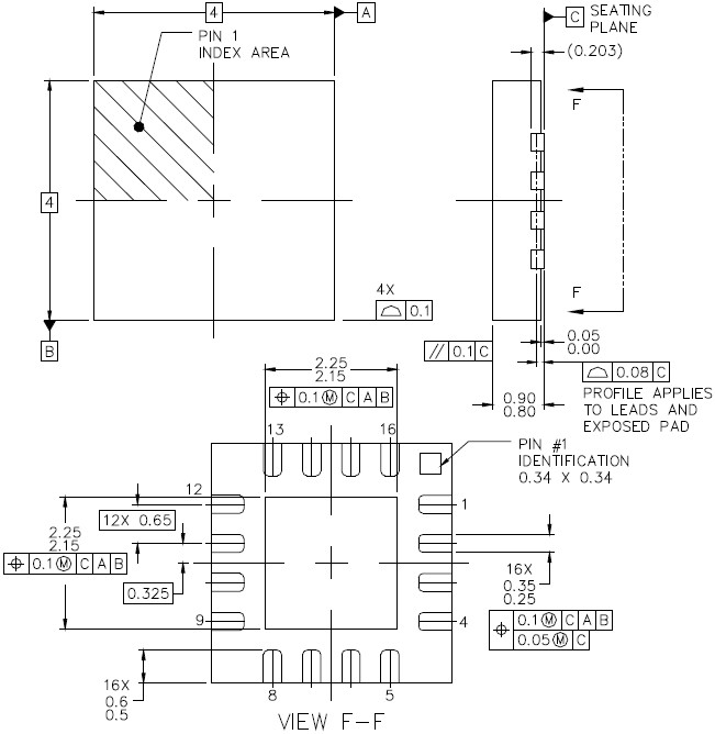
  • Package dimensions: 4 x 4 x 0.9 mm
订购信息 Ordering Information
  • TGC4405-SM
TGC4405-SM 产品实物图

TGC4405-SM 产品实物图

应用领域 APPLICATION
  • K Band Satellite Communications (Satcom)
  • Point-to-Point Radio
技术指标
频率(GHz) 转换增益(dB) V+(V) IQ(mA)
17 - 27 13 5 425
机械图样Mechanical Drawing
TGC4405-SM 机械图样
应用技术支持与电子电路设计开发资源下载 版本信息 大小
TGC4405-SM:材料清单    
TGC4405-SM:布局文件    
TGC4405-SM 数据资料DataSheet下载:PDF Rev.V2 2 页