TGC4406-SM 集成放大器的14 - 17 GHz 封装倍频器

The TriQuint TGC4406-SM is a packaged MMIC that combines a frequency doubler operating at input frequencies of 14 to 17 GHz with a 3-stage output amplifier. The TGC4406-SM achieves typically 25 dBc input frequency isolation and 20 dBm output power with 5 dBm input power. This performance makes this doubler ideally suited for point-to-point radios and Ka band satellite ground terminal applications. The TGC4406-SM provides the frequency doubling function in an compact 4 mm x 4 mm package footprint. Each device is 100% DC and RF tested on-wafer to ensure performance compliance. The part is lead-free and RoHS compliant. Evaluation boards are available upon request.

技术特性
  • RF output frequency range: 28 to 34 GHz
  • Input frequency range: 14 to 17 GHz
  • Output power: 20 dBm nominal
  • Conversion gain: 15 dB nominal
  • Input frequency isolation: 25 dBc
  • Bias: Vd = 5 V, Id = 150 mA, Vg = -0.5 V typical, Vdbl = -0.8 V fixed,
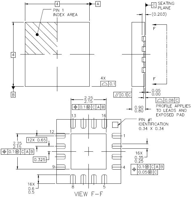
  • Package dimensions: 4 x 4 x 0.9 mm
技术指标
频率(GHz) 转换增益(dB) V+(V) IQ(mA)
28 - 34 15 5 50
TGC4406-SM 产品实物图

TGC4406-SM 产品实物图

应用领域 APPLICATION
  • Ka Band Satellite Communications (Satcom)
  • Point-to-Point Radio
订购信息 Ordering Information
  • TGC4406-SM
机械图样Mechanical Drawing
TGC4406-SM 机械图样
应用技术支持与电子电路设计开发资源下载 版本信息 大小
TGC4406-SM:材料清单    
TGC4406-SM:布局文件    
TGC4406-SM 数据资料DataSheet下载:PDF Rev.V2 2 页