TGC4408-SM 18 - 20 GHz BDC下变频器
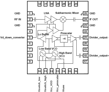
The TriQuint TGC4408-SM is a low cost Ku band downconverter. It provides in a single package a dual band VCO, a subharmonic mixer and all the associated gain stages required to integrate the VCO and the mixer. The TGC4408-SM provides a differential signal at 1/4th the VCO frequency for use in a phase-locked loop. The subharmonic mixer is manufactured using TriQuint's pHEMT process; the VCO and the prescaler are manufactured using TriQuint's HBT process. The TGC4408-SM is available as a single surface mount 32 lead 5x6 QFN package and is ideally suited for VSAT ground terminals and millimeter wave communication receivers. Lead-free and RoHS compliant. Evaluation Boards are available upon request.
技术特性
- RF Frequency: 18.3 to 20.2 GHz
- Internal dual band LO Sources: 7.9 to 9.1 GHz and 9.9 to 11.1 GHz
- IF Frequency: 950 to 1950 MHz
- Conversion Gain: 8.5 dB
- Single Side Band Noise Figure: 6.5 dB
- Input IP3: -8 dBm
- Differential ÷4 VCO output for use by external PLL
- Single +5V supply operation
- Bias 5.0 V, 305 mA
- Package Dimensions: 5.0 x 6.0 x 0.85 mm
订购信息 Ordering Information
TGC4408-SM 产品实物图

|
应用领域 APPLICATION
- VSAT Ground Terminals
- Millimeter Wave Communications
技术指标
| 频率(GHz) |
转换增益(dB) |
V+(V) |
IQ(mA) |
| 18.3 - 20.2 |
8.5 |
5 |
305 |
功能框图 Functional Block Diagram

|