技术特性
- 0.25um 3MI MMW pHEMT
- Broadband Response DC to > 50 GHz
- 2dB typical Insertion Loss
- 17dB Variable Attenuation Range
- 15dB typical Return Loss
- Bias: -1V to 0V
应用领域 APPLICATION
- Point to Point Radio
- Fiber Optic
- Wideband Military & Space
订购信息 Ordering Information
|
技术指标
| 频率(GHz) |
插入损耗(dB) |
范围(dB) |
PIdB(dBm) |
+V |
| DC-50 |
1.5 |
15 |
15 |
0--1 |
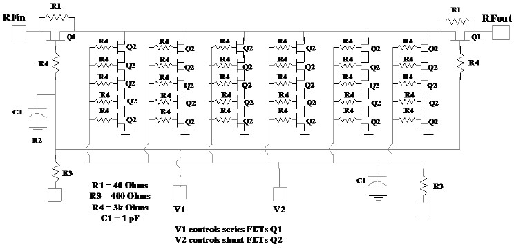
电路原理图 Schematic
 |