TGV2529-SM 12.5 - 13.5 GHz 压控振荡器(带2分频器)
The TriQuint TGV2529-SM is a monolithic voltage controlled oscillator (VCO) designed to operate at frequencies that target the Point-to-Point, VSAT, and millimeter wave communication markets. The TGV2529-SM is manufactured on TriQuint's GaAs InGaP production process and typically provides 7 dBm output power at 13 GHz with a -110 dBc/Hz phase noise at 100 KHz offset. A divide-by-2 output is provided for the PLL function. Lead-free and RoHS compliant. Evaluation Boards are available upon request.
技术特性
- Frequency range: 12.5 - 13.5 GHz
- Tune Voltage: 1 - 12 V
- Output power: 7 dBm Typical
- Phase Noise:
- -110 dBc/Hz @ 100 KHz Typical
- -133 dBc/Hz @ 1 MHz Typical
- RFout/2 Frequency Range: 6.25 – 6.75 GHz
- RFout/2 Output Power: 7 dBm Typical
- Bias: Vcc = 5V, Icc = 165 mA Typical
- Technology: TriQuint HBT
- Dimension: 5 x 5 x 0.85 mm SLP
TGV2529-SM 产品实物图
 |
技术指标
| 频率(GHz) |
功率(dBm) |
相位噪声(dBc/Hz) |
+V |
IQ(mA) |
| 12.5 - 13.5 |
7 |
-110 @ 100 kHz |
5 |
165 |
订购信息 Ordering Information
| TGV2529-SM |
EAR99 |
12.5 – 13.5 GHz VCOwith Divide by 2 |
应用领域 APPLICATION
- Point-to-Point Radio
- VSAT
- Millimeter Wave Communications
- Test Equipment
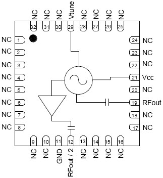
功能框图 Functional Block Diagram

|