TQM7M9023 多模多频段功率放大器模块 w/ 双频段 GMSK/EDGE 和双频段 WCMDA 功率放大器模块
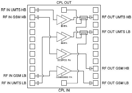
The TriQuint TQM7M9023, a member of TriQuint's TRIUMF Module™ family, is a fully matched multi-mode multiband power amplifier module that supports quad-band GSM / EDGE Linear, WCDMA & LTE Band 1 and low band WCDMA / LTE (externally tuned for either Band 5 or Band 8). The GSM PA output power is controlled by the input power coming from the transceiver in both GMSK and 8PSK modes. The 3-Gain state WCDMA PA operates in LPM, MPM and HPM to maximize talk time over the entire range of operating conditions. It also includes a coupler and built-in regulator, ideal for today's extremely small data enabled phones. The TQM7M9023 is designed on TriQuint's GaAs HBT technology with CuFlip™ assembly offering state of the art reliability, temperature stability and ruggedness. Its RF performance meets the stringent linearity requirements for multi-mode operation.
技术特性
- Quad-band Linear GSM / EDGE
- UMTS B1 and B5/B8
- Input power controlled - GMSK and 8PSK
- GSM LB has 3 modes - HP, MP, LP
- GSM HB has 2 modes - HP, LP
- WCDMA has 3 modes - HP, MP, LP
- HBT / PHEMT / CuFlip® PA Technology
- Integrated coupler
- Built-in voltage regulator
- 50 Ohm input and output Impedance
- Lead-free 260°C / RoHS / halogen-free
- 24 pin 5.0 x 7.5 mm package
技术指标
| 尺寸 (mm) |
频段 |
特性 |
| 5.0 x 7.5 x 1.0 |
GSM850 / 900, DCS / PCS, WCDMA B1 & B5 / 8 |
2-Bit (Hi / Med / Lo Power Modes) |
|
应用领域 APPLICATION
- GSM / EDGE / WEDGE / LTE Handsets
- WCDMA
订购信息 Ordering Information
功能框图 Functional Block Diagram

|