TQM7M9053 多模多频段功率放大器(MMPA)
The TRIUMF™ TQM7M9053 is a fully matched Multi-mode Multi-band Power Amplifier module that offers quad-band GSM/EDGE and WCDMA/LTE bands 1, 2, 5 and 8 for the 3G/4G market in North America, Europe and Asia. The versatile 5 x 7.5mm module simplifies RF design for increasingly complex next-generation global 3G / 4G smartphones and other mobile devices. It achieves best-in-class power-added efficiency (PAE), providing more browsing time for users. The compact, highly integrated module consumes less PCB space than discrete components, and the simplified routing enhances system performance and reduces manufacturing time. The 2-Gain state WCDMA PA operates in high and medium power modes to maximize talk time over the entire range of operating conditions. It also includes a coupler and built-in regulator, ideal for today's extremely small data-enabled phones. The TQM7M9053 is designed on TriQuint's GaAs HBT technology with CuFlip™ assembly - offering state of the art reliability, temperature stability and ruggedness. Its RF performance meets the stringent linearity requirements needed for demanding multi-mode operation.
技术特性
- Quad-Band Linear GSM/EDGE
- UMTS B1 and B5/8
- Input power controlled – GMSK and 8PSK
- GSM LB has 2 modes – HP, LP
- GSM HB has 2 modes – HP, LP
- W/CDMA has 2 modes – HP, MP
- HBT/PHEMT / CuFlip™ PA Technology
- Integrated coupler
- Built-in voltage regulator
- 50 ohm input and Output Impedance
TQM7M9053 产品实物图

|
应用领域 APPLICATION
- GSM / EDGE / WEDGE / LTE Handsets
- WCDMA
技术指标
| 尺寸 (mm) |
频段 |
特性 |
| 5.0 x 7.5 x 1.0 |
GSM850 / 900, DCS / PCS, WCDMA B1 & B5 / 8 |
1-Bit (Hi / Med Power Modes) |
订购信息 Ordering Information
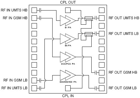
功能框图 Functional Block Diagram

|