TQM829007 数字可变增益放大器
The TriQuint TQM829007 is a digital variable gain amplifier (DVGA) featuring high linearity performance in a fully integrated module. The amplifier module features the integration of a low noise amplifier gain block, a digital-step attenuator (DSA) along with a high linearity 0.25 Watt amplifier. The module has the added features of integrating all matching components with bias chokes and blocking capacitors. The internal DSA offers 0.5 dB step, 6-bit and 31.5 dB range and is controlled with a serial periphery interface (SPITM). The TQM829007 features variable gain from 0 to 31.5 dB at 0.9 GHz, has +39.5 dBm Output IP3, and +24.3 dBm P1dB. The amplifier also has a very low 2.1 dB Noise Figure (at maximum gain) allowing it to be an ideal DVGA for both receiver and transmitter applications. The amplifier operates from a single +5 V supply and is available in a compact 28-pin 6 x 6 mm leadless surface mount package.
技术特性
- 0.6 to 1.0 GHz frequency range
- 31.5 dB maximum gain at 0.9 GHz
- 31.5 dB gain range in 0.5 dB Steps
- +39.5 dBm Output IP3
- +24.3 dBm Output P1dB
- 2.1 dB noise figure at max. gain state
- Fully internally matched module
- Integrated blocking capacitors, bias inductors
- 3-wire SPI control programming
TQM829007 产品实物图
 |
应用领域 APPLICATION
- 3G / 4G Wireless Infrastructure
- High Power Amplifiers
- LTE / WCDMA / GSM
- Point-to-Point Radio
- Repeaters
- VSAT
技术指标
| 频率(GHz) |
衰减幅度 (dB) |
增益 (dB) |
P1dB (dBm) |
OIP3 (dBm) |
NF (dBm) |
Idd (mA) |
Vdd (V) |
封装 |
| 0.6 - 1.0 |
31.5 |
31.7 |
24.3 |
29.5 |
2.1 |
174 |
5 |
6 x 6 mm |
订购信息 Ordering Information
| TQM829007 |
0.6-1.0 GHz Digital Variable Gain Amp |
| TQM829007-PCB |
Fully Assembled Evaluation Board Includes USB control board (EVH) |
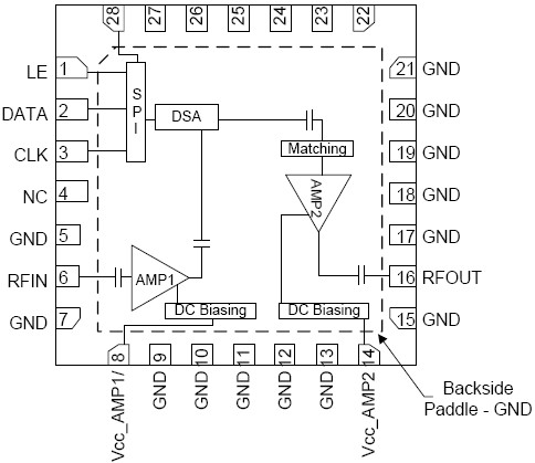
功能框图 Functional Block Diagram

|