TQM8M9077 数字可变增益放大器
The TriQuint TQM8M9077 is a digitally controlled variable gain amplifier (DVGA) with a broadband frequency range of 50 to 4000 MHz. The DVGA features high linearity and low noise while providing digital variable gain with a 31.5 dB of range in 0.5 dB steps through a 6-bit serial mode control interface. This combination of performance parameters makes the DVGA ideal for receiver applications requiring gain control with high IIP3. The part integrates a high performance digital step attenuator and a high linearity, broadband gain block. Both stages are internally matched to 50 Ohms and do not require any external matching components. A serial output port enables cascading with other serial controlled devices. The part is packaged in a RoHS compliant, compact 5 x 5 mm surface mount leadless package. Superior thermal design allows the product to have a minimum MTTF rating of 1000 years at a mounting temperature of +85º C. The TQM8M9077 is targeted for use in wireless infrastructure, point-to-point or can be used for any general purpose wireless application.
技术特性
- Integrates digital step attenuator + amplifier functionality
- 50 to 4000 MHz broadband performance
- 13 dB gain @ 2.14 GHz
- 3.9 dB noise figure @ max gain setting
- +21.5 dBm P1dB
- +38.5 dBm OIP3
- +5 V supply voltage
- 88 mA operating current
- MTTF > 1000 years
TQM8M9077 产品实物图
 |
应用领域 APPLICATION
- 3G / 4G Wireless Infrastructure
- General Purpose Wireless
- IF Applications
- LTE / WCDMA / EDGE / CDMA
- Point-to-Point Radio
- Repeaters
- RF Applications
- VSAT
技术指标
| 频率(GHz) |
衰减幅度 (dB) |
增益 (dB) |
P1dB (dBm) |
OIP3 (dBm) |
NF (dBm) |
Idd (mA) |
Vdd (V) |
封装 |
| 50 - 4,000 |
31.5 |
13 |
21.5 |
38.5 |
3.7 |
88 |
5 |
5 x 5 mm |
订购信息 Ordering Information
| TQM8M9077 |
Digital Variable Gain Amplifier |
| TQM8M9077-PCB |
0.3-4.0 GHz Evaluation Board |
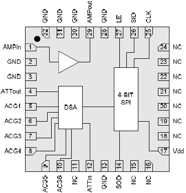
功能框图 Functional Block Diagram

|