TQM969001 滤波器 - PCS双工器
The TriQuint TQM969001 is a duplexer designed for US PCS base station / repeater applications. It exhibits excellent power handling, pass band flatness, rejection, and uplink / downlink isolation. The TQM969001 increases the sensitivity and dynamic range of receivers by providing more than 50 dB attenuation of the uplink signal at the receiver input and more than 50 dB rejection of uplink-generated noise in the receiver band. Typical insertion loss at the uplink channel is only 1.32 dB and the typical insertion loss in the downlink channel is 1.52 dB, which improves the receiver sensitivity.
技术特性
- Small form factor of 3.8 x 3.8 mm
- Max height of 1.2 mm
- Max uplink / downlink peak power of 38 dBm
- Halogen and lead free construction
技术指标
| 频率(MHz) |
带宽 (MHz) |
插入损耗 (dB) |
操作模式 |
封装(mm) |
| 1880 / 1960 |
60 |
- |
Tx / Rx SE |
3.8 x 3.8 |
订购信息 Ordering Information
| TQM969001 |
PCS Duplexer |
| TQM969001EVB |
PCS Duplexer evaluation board |
TQM969001 产品实物图

|
应用领域 APPLICATION
- Coverage Enhancement Repeaters
- Femtocell Base Stations
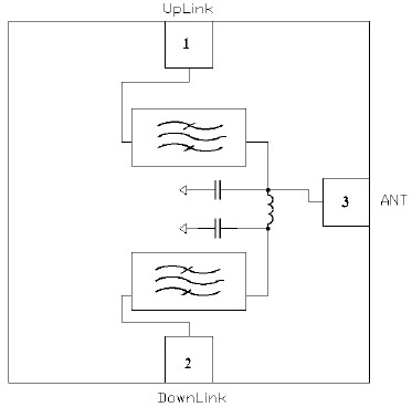
功能框图 Functional Block Diagram

|