TQP4M9071 模拟衰减器

The TriQuint TQP4M9071 is a monolithic variable attenuator which operates from 2 to 20 GHz. This analog attenuator can operate from a single +2.5 volt power supply if used with an external variable voltage divider circuit. Typical RF performance at 10 GHz includes an insertion loss of 2 dB, maximum attenuation of 15 dB at 10 GHz and input/output return loss of greater than 10 dB. The device is an absorptive attenuator designed using MESFET technology employing a "PI" configuration which reduces bias currents and simplifies bias networks. The broadband capabilities of this device are versatile in many applications such as telecommunications, military and space. This device has a space heritage. DC blocking capacitors are provided on-chip. Bond pad and backside metallization is gold plated for compatibility with eutectic attachment methods as well as thermocompression and thermosonic wire bonding processes. The TQP4M9071 is supplied in chip form and is readily assembled using automated equipment. Ground is provided to the circuitry through vias the backside metallization.

技术特性
  • 2 to 20 GHz frequency range
  • 2 dB insertion loss at midband
  • 10 dB input / output return loss
  • 13 dB variable attenuation range
  • Single polarity power supply required
  • Dimensions: 1.702 x 1.219 x 0.152 mm (0.067 x 0.048 x 0.006 in)
技术指标
频率(GHz) 插入损耗(dB) 范围(dB) P1dB(dBm) +V
2.0 - 20 2 13 12 2.5
TQP4M9071 产品实物图

TQP4M9071 产品实物图

订购信息 Ordering Information
TQP4M9071 6-Bit, 31.5 dB DSA 
TQP4M9071-PCB_ IF  0.04-0.5 GHz Evaluation Board
TQP4M9071-PCB_RF  0.7-3.5GHz Evaluation Board 
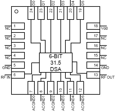
功能框图 Functional Block Diagram

TQP4M9071 功能框图

应用技术支持与电子电路设计开发资源下载 版本信息 大小
TQP4M9071:S 参数MDIF格式    
TQP4M9071:S 参数0分贝衰减状态(s2p格式)    
TQP4M9071材料清单 :TQP4M9071-PCB_IF    
TQP4M9071材料清单 :TQP4M9071-PCB_RF    
TQP4M9071封装信息    
TQP4M9071布局文件    
TQP4M9071 数据资料DataSheet下载:pdf Rev.V2 2 页