TQP7M9104 2W 5V 高线性放大器
The TQP7M9104 is a high linearity driver amplifier in an industry standard, RoHS compliant, QFN surface mount package. This InGaP / GaAs HBT delivers high performance across the 700 to 4000 MHz range of frequencies with 15.8 dB gain, +49.5 dBm OIP3 and +32.5 dBm P1dB at 2.14 GHz while only consuming 435 mA quiescent collector current. All devices are 100% RF and DC tested. The part incorporates on-chip features that differentiate it from other products in the market. The amplifier integrates an on-chip DC over-voltage and RF over-drive protection. This protects the amplifier from electrical DC voltage surges and high input RF input power levels that may occur in a system. The TQP7M9104 is targeted for use as a driver amplifier in wireless infrastructure where high linearity, medium power and high efficiency are required. The device is an excellent candidate for transceiver line cards and high power amplifiers in current and next generation multi-carrier 3G / 4G base stations.
技术特性
- 700 to 4000 MHz
- +32.8 dBm P1dB
- +49.5 dBm Output IP3
- 15.8 dB gain @ 2140 MHz
- +5 V single supply, 435 mA collector current
- Internal RF overdrive protection
- Internal DC overvoltage protection
- Internal active bias
- On-chip ESD protection
- Shut-down capability
- Capable of handling 10:1 VSWR @ 5 Vcc, 2.14 GHz, 32.8 dBm CW Pout or 23.5 dBm WCDMA Pout
TQP7M9104 产品实物图

技术指标
| 频率(GHz) |
增益(dB) |
P1dB (dBm) |
OIP3 (dBm) |
NF (dB) |
Vdd (V) |
Idd (mA) |
封装信息 |
| 0.7 - 4 |
15.8 |
32.8 |
49.5 |
4.4 |
5 |
427 |
4 x 4 mm |
|
订购信息 Ordering Information
| Part No. |
Description |
| TQP7M9104 |
2W High Linearity Amplifier |
| TQP7M9104-PCB900 |
920-960MHz EVB |
| TQP7M9104-PCB2140 |
2.11-2.17GHz EVB |
应用领域 APPLICATION
- 3G / 4G Wireless Infrastructure
- Base Station Transceivers
- Femtocells
- General Purpose Wireless
- Repeaters
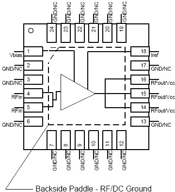
功能框图 Functional Block Diagram

|