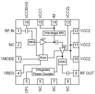
RF3267 3V WCDMA LINEAR PA MODULE
The RF3267 is a high-power, high-efficiency, linear PA module designed for use as the final RF amplifier in 3V, 50Ω WCDMA handheld digital cellular equipment, spread-spectrum systems, and other applications in the 1920MHz to 1980MHz band. The RF3267 has a digital control pin which, when enabled, will allow the amplifier to operate up to 19dBm output power with reduced current consumption. In the Low Power Mode, the current consumption may be reduced by more than 50% that of a standard power amplifier. The RF3267 also has an integrated directional coupler that would eliminate the use of an external coupler at the output. The RF3267 is fully HSDPA-capable and is assembled in a 16-pin, 3mm x 3mm, QFN package.
技术特性 Features
- +28dBm Linear Output Power, ULRMC12.2 (26.5dBm, HSDPA)
- +28dB Linear Gain at +28dBm
- Digital Controlled HPM/LPM
- HSDPA Capable
- Low Quiescent Current (LPM <20mA)
- 21% Linear Efficiency at 19dBm (LPM)
- Integrated Coupler
产品实物图

订购信息 Ordering Information
- RF3267 3V W-CDMA Linear PA Module
- RF3267PCBA-410 Fully Assembled Evaluation Board
应用领域 Applications
- 3V W-CDMA Handsets
- UMTS Band 1 Handsets
- Multi-Mode W-CDMA 3G Handsets
- UMTS Band 1 Datacards
|
技术指标
| Frequency Range (Min) (MHz): |
1920 |
| Frequency Range (Max) (MHz): |
1980 |
| Gain (dB): |
28 |
| VSUPPLY (V): |
3.4 |
| ISUPPLY (mA): |
75 |
| Package: |
QFN |
功能框图 Functional Block Diagram

|