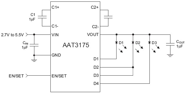
AAT3175 High Efficiency 1X/1.5X/2X Charge Pump for White LED Flash Applications
The AAT3175 is a low noise, constant frequency charge pump DC/DC converter that uses a tri-mode load switch (1X), fractional (1.5X), and doubling (2X) conversion to maximize efficiency for white LED flash applications. The AAT3175 is capable of driving up to three flash LEDs at 300mA total current from a 2.7V to 5.5V input. A low external parts count (two 1μF flying capacitors and two small 1μF capacitors at VIN and VOUT) make this part ideally suited for small battery-powered applications. SKYWORKS’ S2Cwire™ (Simple Serial Control™) serial digital input is used to enable, disable, and set current for all LEDs with 16 level settings down to 0. The AAT3175 is equipped with built-in protection for VOUT short-circuit condition and auto-disable for load shortcircuit condition on any one of the channels. Built-in softstart circuitry prevents excessive inrush current during start-up. A low-current shutdown feature disconnects the load from VIN and reduces quiescent current to less than 1μA. The AAT3175 is available in a Pb-free, space-saving, thermally-enhanced 12-pin 3x3mm TDFN package.
技术特性
- VIN Range: 2.7V to 5.5V
- Up to 300mA Total Flash Current
- Fully Programmable Current with Single Wire
- 16 Logarithmic Current Levels
- Tri-Mode 1X, 1.5X, and 2X Charge Pump for Maximum
Efficiency and VF Coverage
- Drives 3-in-1 or 2-in-1 Flash LEDs
- 0.5% Current Matching
- No Inductors, Low Noise Operation
- 1MHz Constant Switching Frequency
- Small Application Circuit
- Built-In Thermal Protection
- Automatic Soft-Start
- IQ <1μA in Shutdown
- TDFN33-12 Package
订购信息 Ordering Information
|
应用领域 APPLICATION
- Programmable Current Sinks
- White LED Backlighting
- White Photo Flash for Mobile Phones
功能框图 Functional Block Diagram

|