SE2611T 2.4 GHz High Efficiency Wireless LAN/BT Front End
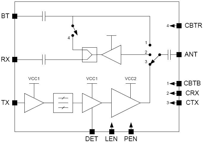
The SE2611T is a complete 802.11 b/g/n WLAN RF front-end module with a Bluetooth port. The device provides all the functionality of the power amplifier, power detector, filter, Switch, Low Noise Amplifier, 2170 MHz notch filtering and associated matching. The SE2611T provides a complete 2.4 GHz WLAN RF solution from the output of the transceiver to the antennas, and from the antennas to the input of the transceiver, in an ultra compact form factor. The SE2611T is designed for ease of use, with all the critical matching and harmonic filtering integrated, also offering a simple 50 Ω interface to the antenna. The SE2611T includes a low noise amplifier to increase the receive sensitivity of embedded solutions to improve range or to overcome the insertion loss of cellular filters often included for mobile applications. It offers simultaneous WLAN and Bluetooth receive mode. The SE2611T also includes a transmitter power detector with 20 dB of dynamic range and a digital enable control for transmitter power ramp on/off control. The power ramp rise/fall time is 0.5 μs typical.
技术特性
- Dual Mode IEEE802.11b & IEEE802.11g
- Integrated PA, Harmonic Filter, LNA and BT port
- Integrated Positive Slope Power Detector
- 19 dBm @ 4.0 % EVM, 802.11g, 54 Mbps
- Simultaneous WLAN and Bluetooth receive mode
- Direct connection to battery with 3.3 V nominal supply
- Lead free, Halogen free and RoHS compliant
- Compact package, 3 x 3 x 0.6 mm, MSL 1
应用领域 APPLICATION
- IEEE802.11b DSSS WLAN
- IEEE802.11g,n OFDM WLAN
- Embedded applications with Bluetooth (Mobile)
|
订购信息 Ordering Information
| Part No. |
Package |
Remark |
| SE2611T |
24 pin LGA |
Samples |
| SE2611T-R |
24 pin LGA |
Tape and Reel |
| SE2611T-EK1 |
N/A |
Evaluation kit |
功能框图 Functional Block Diagram

|