技术特性
- Usable bandwidth of 32 MHz
- Typical 3 dB bandwidth of 33.4 MHz
- Low loss
- High attenuation
- Single-ended operation, 50 Ohm
- Ceramic Surface Mount Package (SMP)
- Hermetic
- RoHS compliant (2002/95/EC), lead-free
854927 产品实物图

|
技术指标
| 频率(MHz) |
带宽 (MHz) |
插入损耗 (dB) |
操作模式 |
封装(mm) |
| 140 |
18 |
12.0 max |
SE |
13.3 x 6.5 |
订购信息 Ordering Information
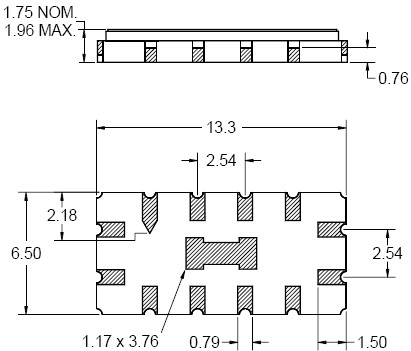
封装外形Package Outline
 |