TGA1073B-SCC Ka 波段中等功率放大器

The TriQuint TGA1073B-SCC is a three stage HPA MMIC design using TriQuint's proven 0.25 um Power pHEMT process. The TGA1073B-SCC is designed to support a variety of millimeter wave applications including point-to-point digital radio and LMDS/LMCS and Ka band satellite ground terminals. The three stage design consists of a 2 x 300 um input stage driving a 2 x 600 um interstage followed by a 4 x 600 um output stage. The TGA1073B-SCC provides 28.5 dBm nominal output power at 1dB compression across 27 - 32 GHz. Typical small signal gain is 25 dB at 28 GHz and 18 dB at 32 GHz. The TGA1073B-SCC requires minimum off-chip components. Each device is 100% DC and RF tested on-wafer to ensure performance compliance. The device is available in chip form.

技术特性
  • 0.25 um pHEMT technology
  • 25 dB nominal gain @ 28 GHz
  • 28.5 dBm nominal Pout @ P1dB (7V)
  • -38 dBc IMR3 @ 18 dBm SCL
  • Bias 6 to 8 V @ 420 mA
  • Chip dimensions: 3.12 mm x 2.15 mm
应用领域 APPLICATION
  • Point-to-Multipoint Radio
  • Point-to-Point Radio
订购信息 Ordering Information
  • TGA1073B-SCC
技术指标
频率(GHz) 功率(dBm) 增益(dB) NF/PAE +V IQ(mA)
27-32 28.5 25 - 6-8 420
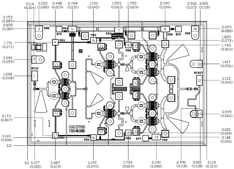
机械特性Mechanical Characteristics
TGA1073B-SCC 机械特性
应用技术支持与电子电路设计开发资源下载 版本信息 大小
TGA1073B-SCC:S 参数    
TGA1073B-SCC 数据资料DataSheet下载:PDF Rev.V2 2 页