技术特性
- 27 to 31 GHz bandwidth
- > 32 dBm P1dB
- 33 dBm Psat
- 20 dB nominal gain
- IMR3 is 37 dBc @ 18 dBm SCL
- 14 dB nominal return loss
- Bias: 6 V, 840 mA
- 0.25 um 3MI MMW pHEMT technology
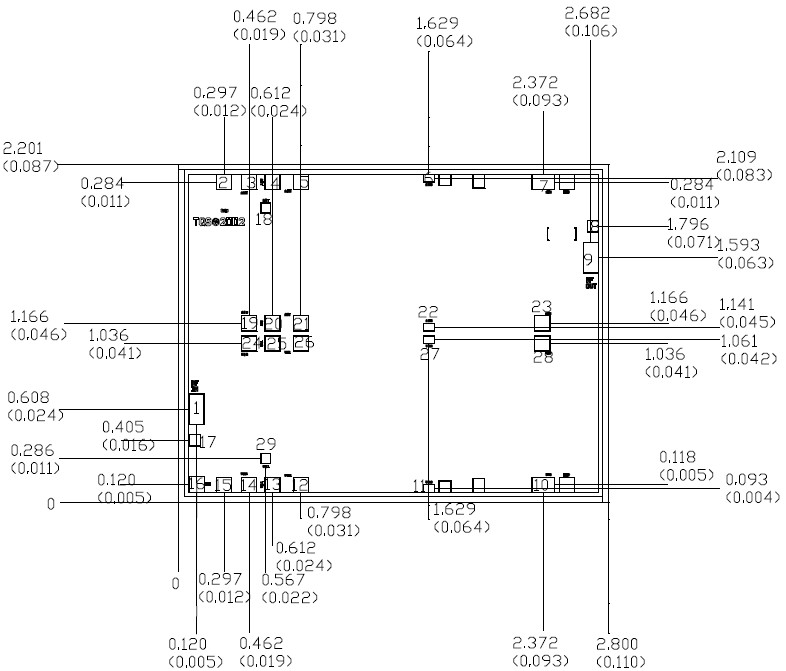
- Chip dimensions: 2.8 x 2.2 x 0.1 mm (0.110 x 0.087 x 0.004 in)
应用领域 APPLICATION
- LMDS
- Point-to-Multipoint Radio
- Point-to-Point Radio
- Satellite Ground Terminals
|
技术指标
| 频率(GHz) |
功率(dBm) |
增益(dB) |
NF/PAE |
+V |
IQ(mA) |
| 27-31 |
33 |
20 |
- |
6 |
840 |
订购信息 Ordering Information
机械图样Mechanical Drawing
 |