TGA8344-SCC 低噪声放大器,AGC
The TriQuint TGA8344-SCC features two cascaded monolithic low-noise distributed amplifiers with on-chip bias operating from 2 to 18 GHz. This die offers the advantage of high gain, typically 19 dB, in compact die size with simplified biasing configuration. Noise figure is typically 4 dB. The two cascade amplifiers have eighteen 122 um gate-width FETs providing 16 dBm of output power at 1 dB gain compression. Input return loss is typically 14 dB from 2 to 18 GHz and output return loss is typically 13 dB. Ground is provided to the circuitry through vias to the backside metallization. The part's small size and high gain make it suitable for use in a variety of wide-band electronic commercial and warfare systems. Bond pad and backside metallization is gold plated for compatibility with eutectic alloy attachment methods as well as the thermocompression wire bonding processes. The TGA8344-SCC is supplied in chip form and is readily assembled using automated equipment.
技术特性
- 2 to 18 GHz frequency range
- Typical 4 dB noise figure at midband
- 16 dBm typical output power at 1 dB gain compression
- 19 dB typical gain
- Typical input SWR 1.5:1 and output SWR 1.6:1
- Dimensions: 3.9878 x 3.810 x 0.1016 mm (0.1570 x 0.150 x 0.0040 in)
订购信息 Ordering Information
技术指标
| 频率(GHz) |
功率(dBm) |
增益(dB) |
NF/PAE |
+V |
IQ(mA) |
| 2.0-18 |
16 |
19 |
4dB |
5 |
120 |
|
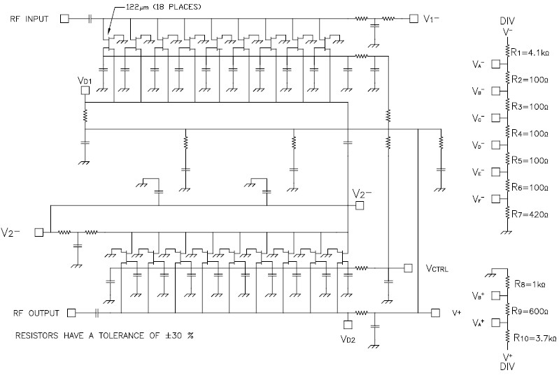
电路原理图SCHEMATIC

|